FibroScreen™ — ECM Response Monitoring
ECM deposition tracking assays to monitor fibrotic responses in therapeutic research.
FibroScreen™ - Overviews
Assay format: 6- to 32- conditions tests (2D monolayer or 3D spheroids of available cells or provided cells)
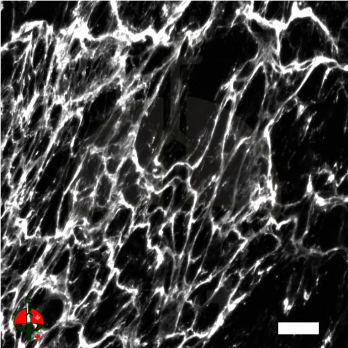
Read-out: Fluorescence imaging of fibronectin fibers + endpoint quantification
Delivery: Raw data + High resolution montages + report
Turn-around: 2‑4 weeks from sample receipt
Inside the FibroScreen™ workflow: From sample reception to quantitative insight
For service requests or pricing, write to support@fibrocure.ch






What we do
We expose your therapeutic candidates (small‑molecule, biologic or gene therapy) to cell cultures or cell spheroids and monitor fibronectin fibril formation with our low‑MW sensors. Because the probes bind only fibrotic fibronectin fibrils, even subtle ECM changes become visible within hours— before collagen deposition or cell transformation occurs.
Applications
- Monitor ECM fiber changes in response to therapeutic candidates
- Compare treatment effects on matrix organization
- Evaluate biological agents targeting ECM pathways
- Support preclinical fibrosis studies
Deliverables
Following the service agreement terms we can deliver:
- Fiber‑density quantifications (area & intensity)
- ECM response profiles for different treatment conditions
- High‑resolution montage images (PNG, TIF / MP4 optional) and unprocessed raw images
- Short interpretation report with key observations
- Next‑step suggestions
Workflow
Here is a consistent workflow from project opening to report delivery:
- Project brief & quote (1 day)
- Sample shipment & QC (3‑5 days)
- Assay run & imaging (1‑2 weeks)
- Data analysis & draft report (5 days)
- Interactive review call
Data samples
Validation
FibroScreen™ - ECM Response Monitoring was validated on several cell types including primary fibroblasts, human endothelial cells (HUVEC) and several lung cancer cell lines including A549 lung; extension remains possible to additional cell lines on request.
Copyright © 2025 Fibrocure | Research & Therapeutics. All right reserved